- Технические характеристики и другая информация предоставляются для справки.
- Чертежи и изображения представлены для ознакомления
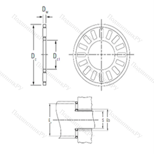
Подшипник игольчатый упорный NTA-4860
Подшипник игольчатый упорный NTA-4860 включает в себя тела качения в форме игл, а также внешнее и внутреннее кольцо, которые могут быть как обычными, так и толстостенными. Роликоподшипник в зависимости от эксплуатационных целей, бывает комбинированным, радиальным или упорным, способным к работе с однонаправленными нагрузками осевого типа. Сепаратор может присутствовать или отсутствовать, равно как и одна из обойм, которую можно приобретать и устанавливать отдельно. Сепараторная часть выполняется из штампованной стали или стеклонаполненного полиамида. Существуют варианты системы без обойм или с одной утолщенной шиной.
Чем характеризуется Подшипник игольчатый упорный NTA-4860?
- Отличается сниженным кромочным напряжением за счет модификации контакта подшипниковых тел с дорожками качения.
- Обладает увеличенной грузоподъемностью и повышенным сроком службы за счет низкого коэффициента трения и малого износа.
- Отвечает требованиям качества международного уровня ИСО, отечественным ГОСТам, азиатским и американским нормативам производства.
Наши сотрудники помогут вам приобрести по удачной стоимости Подшипник игольчатый упорный NTA-4860 ГОСТ или его (аналог ISO) при желании, мы также можем предложить подшипники марок FAG, KOYO, NSK, SKF, SNR онлайн!
Технические характеристики
Обозначение : NTA-4860
Размеры, мм : 76.2x95.25x1.9837
Производитель : KOYO
Диаметр внутренний, мм : 76,2
Диаметр наружный, мм : 95,25
Высота, мм : 1,9837
Технические данные из каталога производителя :
Внутренний диаметр (d) - 76,2 мм.
Наружный диаметр (D) - 95,25 мм.
Ширина рабочая (T) - 1,9837 мм.
Размер (Ea) - 90,678
Размер (Eb) - 78,49
Масса - 0,022 Кг
Грузоподъемность динамическая (C) - 26,96 кН
Грузоподъемность статическая (C0) - 172,1 кН
Частота вращения предельная при жидкой смазке - 4400 об/мин
Количество дорожек качения - 1
Уплотнение - Нет
|
Производитель
|
KOYO |
|
Ширина B
|
1 |
|
Внешний диаметр D
|
95 |
|
Внутренний диаметр d
|
76 |
|
Размер
|
76x95x1 |
|
Вес, кг
|
0.022 |
|
Модель
|
NTA-4860-KOYO |
|
SKU
|
NTA-4860-KOYO |
Похожие по размеру
Оформить заказ на нашем сайте легко. Просто добавьте выбранные товары в корзину, а затем перейдите на страницу Корзина, проверьте правильность заказанных позиций и нажмите кнопку «Оформить заказ» или «Быстрый заказ».
Функция «Быстрый заказ» позволяет покупателю не проходить всю процедуру оформления заказа самостоятельно. Вы заполняете форму, и через короткое время вам перезвонит менеджер магазина. Он уточнит все условия заказа, ответит на вопросы, касающиеся качества товара, его особенностей. А также подскажет о вариантах оплаты и доставки.
По результатам звонка, пользователь либо, получив уточнения, самостоятельно оформляет заказ, укомплектовав его необходимыми позициями, либо соглашается на оформление в том виде, в котором есть сейчас. Получает подтверждение на почту или на мобильный телефон и ждёт доставки.
Если вы уверены в выборе, то можете самостоятельно оформить заказ, заполнив по этапам всю форму.
Выберите из списка название вашего региона и населённого пункта. Если вы не нашли свой населённый пункт в списке, выберите значение «Другое местоположение» и впишите название своего населённого пункта в графу «Город». Введите правильный индекс.
В зависимости от места жительства вам предложат варианты доставки. Выберите любой удобный способ.
Оплата
Выберите оптимальный способ оплаты.
Введите данные о себе: ФИО, адрес доставки, номер телефона. В поле «Комментарии к заказу» введите сведения, которые могут пригодиться курьеру, например: подъезды в доме считаются справа налево.
Проверьте правильность ввода информации: позиции заказа, выбор местоположения, данные о покупателе. Нажмите кнопку «Оформить заказ».
Наш сервис запоминает данные о пользователе, информацию о заказе и в следующий раз предложит вам повторить к вводу данные предыдущего заказа. Если условия вам не подходят, выбирайте другие варианты.
