- Технические характеристики и другая информация предоставляются для справки.
- Чертежи и изображения представлены для ознакомления
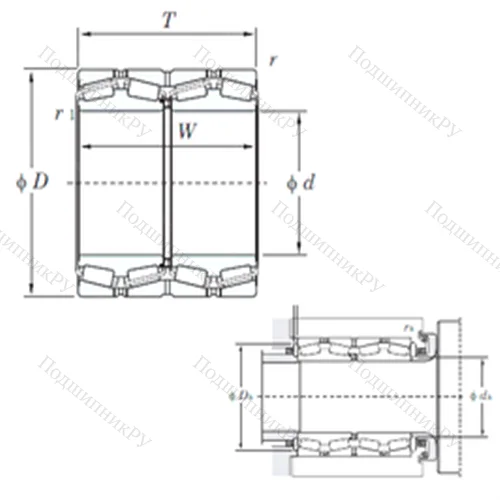
Подшипник роликовый радиально-упорный 47244
Подшипник роликовый радиально-упорный 47244 у которого конструкционной особенностью являются ролики в форме конуса и разъемный корпус. Изделие также может быть укомплектовано наружным кольцом с упорным бортиком или большим углом, двухрядными или четырехрядными роликоподшипниками, утолщенной внешней шиной.
Какие свойства характерны для Подшипник роликовый радиально-упорный 47244?
- Установленные тела качения позволяют воспринимать одновременно односторонние осевые и аксиальные нагрузки, которые находятся в обратно пропорциональной зависимости друг от друга. Чем больше угол контакта, тем выше максимальная возможность восприятия воздействий по оси, и наоборот.
- Составные части детали можно разбирать и собирать по собственному усмотрению, что упрощает их демонтаж и замену при необходимости.
- Деталь отличается повышенной износостойкостью и долговечностью, может использоваться в широком рабочем диапазоне температур, стойко противостоит коррозиям и механическим повреждениям.
- Активно эксплуатируется в машиностроительной, пищевой, медицинской, сельскохозяйственной промышленности.
Ищете качественную продукцию компаний FAG, KOYO, NSK, SKF, SNR? У нас вы можете приобрести Подшипник роликовый радиально-упорный 47244 ГОСТ или его (аналог ISO) и другие конструкции по умеренной стоимости!
Технические характеристики
Обозначение : 47244
Размеры, мм : 220x340x190
Производитель : KOYO
Диаметр внутренний, мм : 220
Диаметр наружный, мм : 340
Высота, мм : 190
Технические данные из каталога производителя :
Внутренний диаметр (d) - 220 мм.
Наружный диаметр (D) - 340 мм.
Ширина рабочая (T) - 190 мм.
Размер (r min.) - 3 мм.
Размер (r1 min.) - 4 мм.
Размер (S) - 6 мм.
Размер (W) - 190
Размер сопряженных деталей (da min.) - 259.6
Размер сопряженных деталей (Da min) - 308
Размер сопряженных деталей (Da max.) - 326
Размер сопряженных деталей (ra max.) - 2.5
Размер сопряженных деталей (rb max.) - 3
Масса - 60.8 Кг
Грузоподъемность динамическая (C) - 1490 кН
Грузоподъемность статическая (C0) - 2910 кН
Расчетный коэффициент (e) - 2.43
Расчетный коэффициент (Y0) - 0.28
Расчетный коэффициент (Y2) - 3.61
Количество дорожек качения - 4
Уплотнение - Нет
| 
																Производитель
															 | KOYO | 
| 
																Ширина B
															 | 190 | 
| 
																Внешний диаметр D
															 | 340 | 
| 
																Внутренний диаметр d
															 | 220 | 
| 
																Размер
															 | 220x340x190 | 
| 
																Вес, кг
															 | 60.8 | 
| 
																Модель
															 | 47244-KOYO | 
| 
																SKU
															 | 47244-KOYO | 
Похожие по размеру
Оформить заказ на нашем сайте легко. Просто добавьте выбранные товары в корзину, а затем перейдите на страницу Корзина, проверьте правильность заказанных позиций и нажмите кнопку «Оформить заказ» или «Быстрый заказ».
Функция «Быстрый заказ» позволяет покупателю не проходить всю процедуру оформления заказа самостоятельно. Вы заполняете форму, и через короткое время вам перезвонит менеджер магазина. Он уточнит все условия заказа, ответит на вопросы, касающиеся качества товара, его особенностей. А также подскажет о вариантах оплаты и доставки.
По результатам звонка, пользователь либо, получив уточнения, самостоятельно оформляет заказ, укомплектовав его необходимыми позициями, либо соглашается на оформление в том виде, в котором есть сейчас. Получает подтверждение на почту или на мобильный телефон и ждёт доставки.
Если вы уверены в выборе, то можете самостоятельно оформить заказ, заполнив по этапам всю форму.
Выберите из списка название вашего региона и населённого пункта. Если вы не нашли свой населённый пункт в списке, выберите значение «Другое местоположение» и впишите название своего населённого пункта в графу «Город». Введите правильный индекс.
	 В зависимости от места жительства вам предложат варианты доставки. Выберите любой удобный способ. 
	
	Оплата
Выберите оптимальный способ оплаты.
Введите данные о себе: ФИО, адрес доставки, номер телефона. В поле «Комментарии к заказу» введите сведения, которые могут пригодиться курьеру, например: подъезды в доме считаются справа налево.
Проверьте правильность ввода информации: позиции заказа, выбор местоположения, данные о покупателе. Нажмите кнопку «Оформить заказ».
Наш сервис запоминает данные о пользователе, информацию о заказе и в следующий раз предложит вам повторить к вводу данные предыдущего заказа. Если условия вам не подходят, выбирайте другие варианты.

 
                                            
                                        