- Технические характеристики и другая информация предоставляются для справки.
- Чертежи и изображения представлены для ознакомления
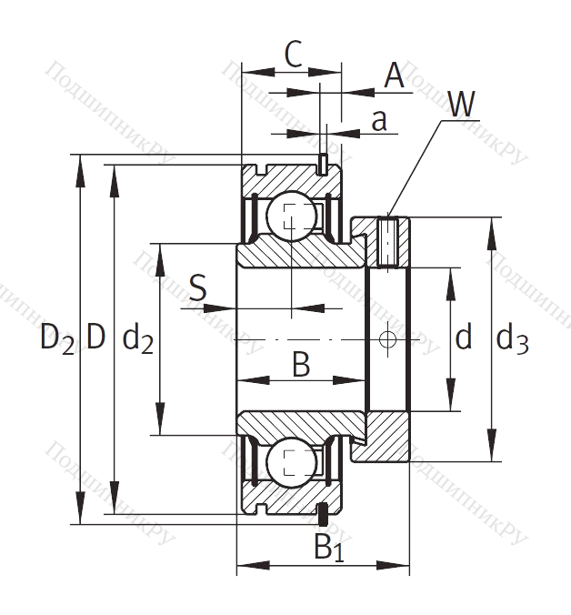
Закрепляемый подшипник RAE 30-XL-NPP-NR 30x62x35.8 INA
Внимание: для уточнения актуальной цены, наличия и условий поставки рекомендуем обратиться к менеджеру отдела продаж. Отгрузка отдельных позиций может занимать от 2 рабочих дней, так как товары находятся на разных складах на территории РФ.
Условия заказа и доставки
- Продажи осуществляются только юридическим лицам
- Доставка в Орле выполняется через ТК: СДЭК, Деловые Линии, Возовоз, Энергия
- Для небольших подшипников действует минимальная партия
- Счета выставляются от 5000 руб.
Закрепляемый подшипник RAE 30-XL-NPP-NR отличается наличием массивной наружной шины, выполненной из стойкого к коррозиям и повреждениям стального сплава, внутренней расширенной обоймы (может расширяться в одну или две стороны), стального или пластмассового сепаратора.
Какими главными особенностями отличается Закрепляемый подшипник RAE 30-XL-NPP-NR?
- Является однорядным и подходит для эксплуатации в качестве опоры.
- Устанавливается на валах разного диаметра и порой требует дополнительных фиксирующих элементов (например, это может быть закрепительное эксцентриковое кольцо, резьбовый штифт, поводковый паз, втулки).
- Широко используется в механизмах, предназначенных для текстильной и пищевой промышленности, деревообрабатывающей, строительной и сельскохозяйственной сферы.
- Для дополнительной защиты от агрессивных условий рабочей среды может покрываться антикоррозийными составами, что в значительной степени продлевает срок службы.
- Изделие необслуживаемое, поэтому замена смазки не предусмотрена. Заводского смазочного материала хватает, как правило, на весь период эксплуатации.
Хотите купить Закрепляемый подшипник RAE 30-XL-NPP-NR ГОСТ (аналог ISO) производства FAG, KOYO, NSK, SKF, SNR? Закажите его у нас по наиболее выгодной стоимости в режиме онлайн!
| Бренд | INA |
| Внутренний диаметр d | 30 мм |
| Внешний диаметр D | 62 мм |
| Ширина B(H) | 35.8 мм |
|
Производитель
|
INA |
|
Ширина B
|
35.8 |
|
Внешний диаметр D
|
62 |
|
Внутренний диаметр d
|
30 |
|
Размер
|
30x62x35.8 |
|
Модель
|
RAE 30-XL-NPP-NR |
Похожие по размеру
Поставка Закрепляемый подшипник RAE 30-XL-NPP-NR 30x62x35.8 INA и других подшипников и комплектующих осуществляется для юридических лиц по безналичному расчету. Счета выставляются от 5000 руб. Для части малогабаритных подшипников действует минимальная партия заказа.
Вы можете оформить заказ через корзину сайта или отправить заявку в отдел продаж. После получения заявки менеджер проверит наличие, уточнит стоимость, сроки поставки и подготовит счет. Если требуется помощь с подбором подшипников, аналогов или уточнение технических параметров, менеджеры помогут подобрать подходящее решение.
Отправка заказов по России осуществляется транспортными компаниями:
- СДЭК
- Деловые Линии
- Возовоз
- Энергия
Менеджер согласует сроки отгрузки, стоимость доставки и передачу груза в транспортную компанию.
В связи с наличием нескольких складов срок отгрузки некоторых позиций может составлять от 2 рабочих дней.
Оплата производится по безналичному расчету на основании выставленного счета. Резервирование товара осуществляется после согласования заказа с менеджером отдела продаж.
Отправить запрос на подбор аналога
Гарантийные обязательства подтверждаются документами производителя и действуют при соблюдении условий хранения, монтажа и эксплуатации.
Что покрывает гарантия
Гарантия распространяется на заводские дефекты материалов и изготовления, несоответствие заявленным техническим характеристикам, а также поставку некомплектного изделия согласно спецификации. Факт дефекта подтверждается актом или заключением производителя либо сервисного центра. Срок гарантии определяется паспортом или каталогом производителя и составляет, как правило, до 12 месяцев с даты приёмки товара по УПД/накладной. По отдельным позициям срок может отличаться - уточняйте у менеджера при оформлении заказа.
Гарантия не распространяется на:
- механические и электрические повреждения, следы ударов и коррозии;
- нарушение условий хранения, монтажа, смазки или эксплуатации;
- следы вскрытия или вмешательства, установку нестандартных запчастей;
- повреждения из-за внешних факторов и форс-мажора.
Как обратиться по гарантии
Направьте письмо на info@podshipnikru.com с темой "Гарантия", укажите номер УПД/счёта, опишите дефект и приложите фото или видео. При необходимости изделие направляется на диагностику. Срок рассмотрения заявки - до 10 рабочих дней с момента получения полного пакета документов. По итогам принимается решение о ремонте, замене или возврате средств.
Возврат товара
Возврат товара надлежащего качества возможен по соглашению сторон при условии, что товар не был в эксплуатации, сохранены товарный вид, пломбы и комплектность. Возврат или обмен необходимо согласовать с менеджером до отправки. Доставка товара до нашего склада при возврате в Орле осуществляется за счёт покупателя - стоимость транспортных расходов не компенсируется. Возвращается стоимость товара согласно документам поставки.


